SKF Bearing

SKF Bearing  6226/C3VL2071

INSOCOAT bearings are designed to prevent electric current from passing through the bearing. The external surfaces of either their inner or outer ring are coated with an insulating aluminium oxide layer, by applying a sophisticated plasma-spray process for an outstanding quality finish. The solutions are very cost-effective compared with other insulation methods.

Get A Quote
Contact Us

SKF BEARINGS various selection , welcome inquiry online or email me directly to : info@cmtgbearing.com.

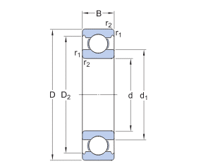
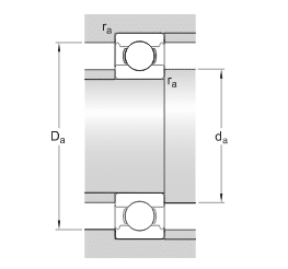
SKF INSOCOAT deep groove ball bearings, single row

DesignationPrincipal dimensionsBasic load ratingsSpeed ratings
dynamicstaticReference speedLimiting speed
d[mm]
D[mm]
B[mm]
C[kN]
C0[kN]
[r/min]
[r/min]
  6314 M/C3VL0241   70  150  35  104  68  9 500  9 000
  6314/C3VL0241   70  150  35  111  68  9 500  6 300
  6215/C3VL0241   75  130  25  68.9  49  10 000  6 700
  6315 M/C3VL0241   75  160  37  119  76.5  9 000  8 000
  6315/C3VL0241   75  160  37  119  76.5  9 000  5 600
  6216/C3VL0241   80  140  26  72.8  55  9 500  6 000
  6316 M/C3VL0241   80  170  39  130  86.5  8 500  7 500
  6316/C3VL0241   80  170  39  130  86.5  8 500  5 300
  6217/C3VL0241   85  150  28  87.1  64  9 000  5 600
  6317 M/C3VL0241   85  180  41  140  96.5  8 000  7 500
  6317/C3VL0241   85  180  41  140  96.5  8 000  5 000
  6218/C3VL0241   90  160  30  101  73.5  8 500  5 300
  6318 M/C3VL0241   90  190  43  151  108  7 500  7 000
  6318/C3VL0241   90  190  43  151  108  7 500  4 800
  6219 M/C3VL0241   95  170  32  114  81.5  8 000  7 500
  6219/C3VL0241   95  170  32  114  81.5  8 000  5 000
  6319 M/C3VL0241   95  200  45  159  118  7 000  6 300
  6319/C3VL0241   95  200  45  159  118  7 000  4 500
  6220/C3VL0241   100  180  34  127  93  7 500  4 800
  6320 M/C3VL0241   100  215  47  182  140  6 700  6 000
  6320/C3VL0241   100  215  47  182  140  6 700  4 300
  6222 M/C3VL0241   110  200  38  151  118  6 700  6 300
  6222/C3VL0241   110  200  38  151  118  6 700  4 300
  6322 M/C3VL0241   110  240  50  216  180  6 000  5 300
  6322/C3VL0241   110  240  50  216  180  6 000  3 800
  6224/C3VL0241   120  215  40  153  118  6 300  4 000
  6324/C3VL2071   120  260  55  216  186  5 600  3 400
  6226/C3VL2071   130  230  40  156  132  5 600  3 600
  6326/C3VL2071   130  280  58  242  216  5 000  3 200
  6228/C3VL2071   140  250  42  174  150  5 300  3 400

CMTG BEARING CO.,LIMITED.  has been engaged in bearing industry for many years, we provide a wide selections of brands, including FAG bearingSKF bearing,NSK bearing,Nachi bearing, TIMKEN bearing, THK Linear Guide and Linear Block …ect.

Bearing typies including standard bearing and non-standard bearings, linear bearings, automotive bearings, large bearings, railway bearings,spherical plain bearings, high temperature,super-precision bearings, as well as some rare types customized to your need.

Contact us if any bearing in demand . we will check and revert ASAP.

Product Inquiry Form

Welcome inquiry.

FAQs

Lorem ipsum dolor sit amet, consectetur adipiscing elit. Ut elit tellus, luctus nec ullamcorper mattis, pulvinar dapibus leo.
Lorem ipsum dolor sit amet, consectetur adipiscing elit. Ut elit tellus, luctus nec ullamcorper mattis, pulvinar dapibus leo.
Lorem ipsum dolor sit amet, consectetur adipiscing elit. Ut elit tellus, luctus nec ullamcorper mattis, pulvinar dapibus leo.
Lorem ipsum dolor sit amet, consectetur adipiscing elit. Ut elit tellus, luctus nec ullamcorper mattis, pulvinar dapibus leo.
Lorem ipsum dolor sit amet, consectetur adipiscing elit. Ut elit tellus, luctus nec ullamcorper mattis, pulvinar dapibus leo.
Lorem ipsum dolor sit amet, consectetur adipiscing elit. Ut elit tellus, luctus nec ullamcorper mattis, pulvinar dapibus leo.
Lorem ipsum dolor sit amet, consectetur adipiscing elit. Ut elit tellus, luctus nec ullamcorper mattis, pulvinar dapibus leo.

Custom tab

可以自由添加不限数量的Tabs内容,支持按照产品分类、标签应用设置的内容,也可以在单个产品页面独立添加所需的tab,支持排序。

Scroll to Top