SKF Bearing

SKF BEARING  QJ1060MA

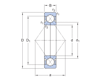
Four-point contact ball bearings are radial single row angular contact ball bearings with raceways that are designed to support axial loads in both directions. For a given axial load, a limited radial load can also be supported (Load ratio). The bearings are separable, i.e. the outer ring with ball and cage assembly can be mounted separately from the two inner ring halves.

Both inner ring halves of SKF Explorer four-point contact ball bearings have a recessed shoulder. This improves oil flow when the bearing is used in combination with an SKF cylindrical roller bearing (fig. 1). In addition, these recesses can be used to facilitate dismounting.

Get A Quote
Contact Us

SKF BEARINGS various selection , welcome inquiry online or email me directly to : info@cmtgbearing.com.

SKF Double row angular contact ball bearings:

 

DesignationPrincipal dimensionsBasic load ratingsSpeed ratings
dynamicstaticLimiting speed
d[mm]
D[mm]
B[mm]
C[kN]
C0[kN]
[r/min]
QJ 234 N2MA   170  310  52  455  720  3 400
  QJ 334 N2MA   170  360  72  655  1 040  3 200
  QJ 236 N2MA   180  320  52  475  765  3 400
  QJ 336 N2MA   180  380  75  680  1 100  3 000
  QJ 1038 N2MA   190  290  46  364  560  3 400
  QJ 238 N2MA   190  340  55  510  850  3 200
  QJ 338 N2MA   190  400  78  702  1 160  2 800
  QJ 1040 N2MA   200  310  51  390  620  3 200
  QJ 240 N2MA   200  360  58  540  915  3 000
  QJ 1244 N2MA   220  400  78  592  1 020  2 600
  QJ 344 N2MA   220  460  88  780  1 400  2 400
  QJ 1248 MA/344524   240  440  85  663  1 220  2 400
  QJ 248 N2MA   240  440  72  650  1 200  2 400
  QJ 1252 N2MA   260  480  90  741  1 460  2 200
  QJ 1056 N2MA/C4   280  420  65  585  1 140  2 400
  QJ 1256 N2MA   280  500  90  728  1 460  2 000
  QJ 1060 MA   300  460  74  702  1 430  2 200
  QJ 1260 N2MA   300  540  98  832  1 760  1 900
  QJ 1064 MA   320  480  74  715  1 530  2 000
  QJ 1064 N2MA   320  480  74  715  1 530  2 000
  QJ 1264 N2MA   320  580  105  956  2 080  1 700
  QJ 1068 N2MA   340  520  82  780  1 700  1 800
  QJ 1268 MA/344524   340  620  118  1 060  2 450  1 600
  QJ 1072 N2MA   360  540  82  852  1 930  1 700
  QJ 1272 N2MA   360  650  122  1 110  2 600  1 500
  QJ 1076 N2MA   380  560  82  884  2 040  1 600
  QJ 1276 N2MA   380  680  132  1 170  2 850  1 400
  QJ 1080 N2MA   400  600  90  904  2 160  1 500
  QJ 1280 N2MA   400  720  140  1 300  3 250  1 300
  QJ 1084 N2MA   420  620  90  923  2 280  1 500

CMTG BEARING CO.,LIMITED.  has been engaged in bearing industry for many years, we provide a wide selections of brands, including FAG bearingSKF bearing,NSK bearing,Nachi bearing, TIMKEN bearing, THK Linear Guide and Linear Block …ect.

Bearing typies including standard bearing and non-standard bearings, linear bearings, automotive bearings, large bearings, railway bearings,spherical plain bearings, high temperature,super-precision bearings, as well as some rare types customized to your need.

Contact us if any bearing in demand . we will check and revert ASAP.

Product Inquiry Form

Welcome inquiry.

FAQs

Lorem ipsum dolor sit amet, consectetur adipiscing elit. Ut elit tellus, luctus nec ullamcorper mattis, pulvinar dapibus leo.
Lorem ipsum dolor sit amet, consectetur adipiscing elit. Ut elit tellus, luctus nec ullamcorper mattis, pulvinar dapibus leo.
Lorem ipsum dolor sit amet, consectetur adipiscing elit. Ut elit tellus, luctus nec ullamcorper mattis, pulvinar dapibus leo.
Lorem ipsum dolor sit amet, consectetur adipiscing elit. Ut elit tellus, luctus nec ullamcorper mattis, pulvinar dapibus leo.
Lorem ipsum dolor sit amet, consectetur adipiscing elit. Ut elit tellus, luctus nec ullamcorper mattis, pulvinar dapibus leo.
Lorem ipsum dolor sit amet, consectetur adipiscing elit. Ut elit tellus, luctus nec ullamcorper mattis, pulvinar dapibus leo.
Lorem ipsum dolor sit amet, consectetur adipiscing elit. Ut elit tellus, luctus nec ullamcorper mattis, pulvinar dapibus leo.

Custom tab

可以自由添加不限数量的Tabs内容,支持按照产品分类、标签应用设置的内容,也可以在单个产品页面独立添加所需的tab,支持排序。

Scroll to Top